Menu
首页
关于新桥
新桥简介
组织架构
合作院校
企业荣誉
企业文化
爱游戏在线官网中国有限公司
公司新闻
新硫快讯
产品介绍
安全环保
科技创新
人力资源
人才战略
联系我们
x
全站搜索
搜索
当前位置:
首页
>
安全环保
安全环保
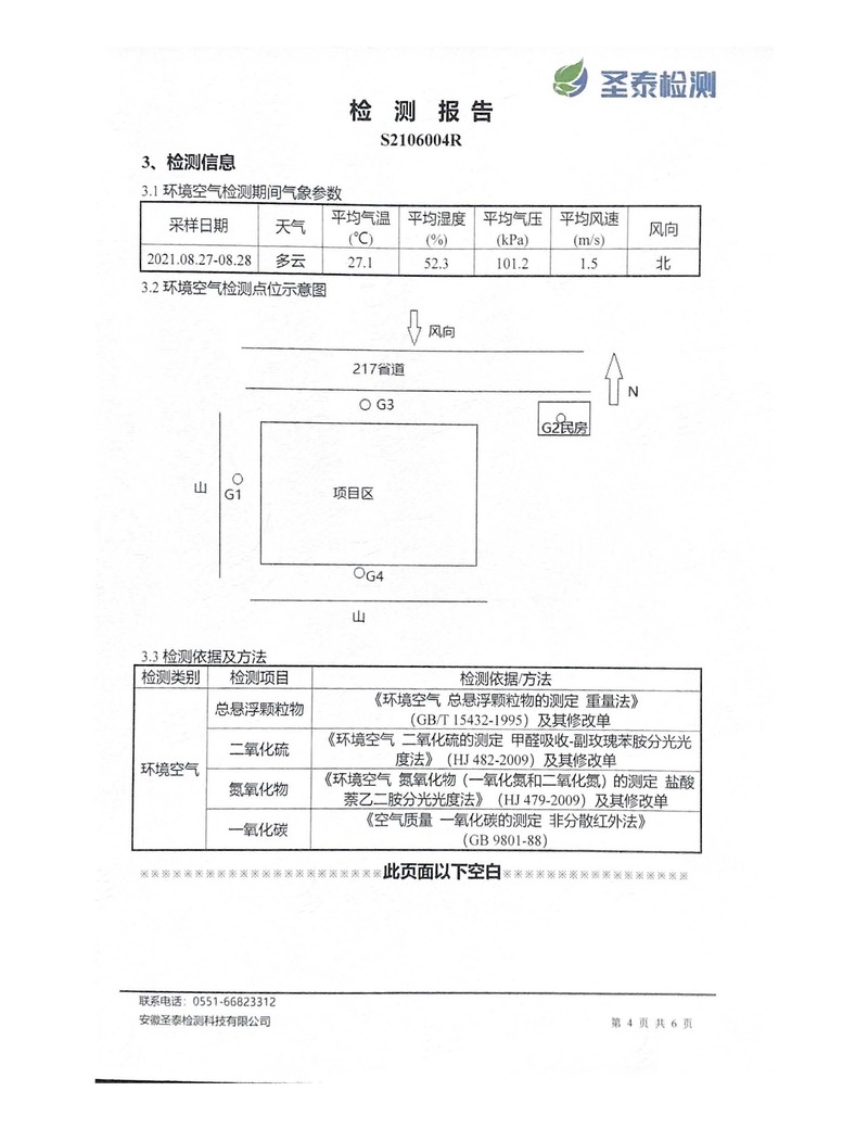
矶山风井24小时环境空气检测报告
发布时间:
2021-11-08 09:40
阅读次数:
7845
分享:
爱游戏在线官网中国有限公司2022年外排水自行监测指标
爱游戏在线官网中国有限公司露天转地下开采采矿技改工程(一期)竣工环境保护报告
九州网
|
安博网页中国有限公司
|
华体会体育(中国)hth·官方网站
|
MILAN.COM
|
星空体育·(StarSky Sports)官方网站-登录入口
|
华体平台地址
|
MILAN米兰体育·(中国)官方网站
|
开云手机在线登陆
|
米兰·体育(中国)官方网站-网页版登录入口
|